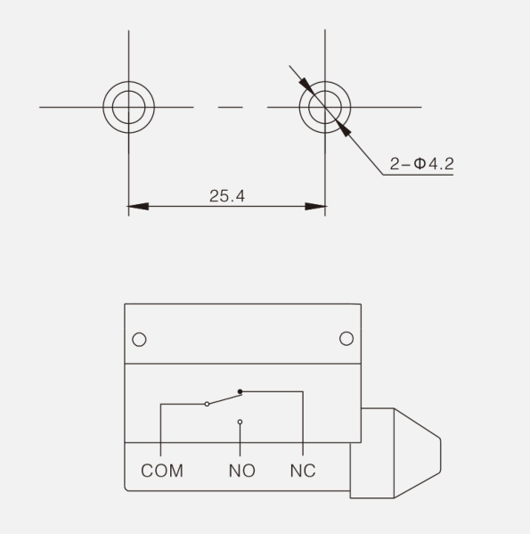
产品特点
-
外壳材料:采用耐高温的酚醛模塑料外壳
-
防护等级:IP65
-
工作环境温度:-20~+60℃
-
产品优点:机械强度高,抗老化、电气性能优良、动作速度快,拉弧少
-
应用领域:各种高压操作机构的合闸、分闸、开关锁、信号控制等领域
技术参数
常规技术参数
特性 Characteristics | |
| 额定负荷 Rating load | 10(4)AV250VAC,6(2)A 380VAC |
操作速度 | 5mm-50cm/s |
操作频率 | 机械:120次/分 电气:30次/分 , Mechanically:120 times/minute Electically:30 times/Minute |
接点电阻 | 25mΩ(初值 initial value) |
绝缘电阻 | 100MΩ以上(Above)DC500V |
介质耐压 | 非连线Non-connection wire:1000VAC;各端子间 Every terminal:1500VAC |
振动 | 误动作Misoperation 10-55Hz 复振幅 Amplitude 1.5mm |
冲击 | 耐久:1,000m/s2 |
使用温度 | -20 至 +60℃ |
使用湿度 | <85% |
使用寿命 | 电气:100,000次以上,机械:1.000,000次以上 Mechanically:1.000,000times above |
防护等级 | IP65 |
