产品特点
-
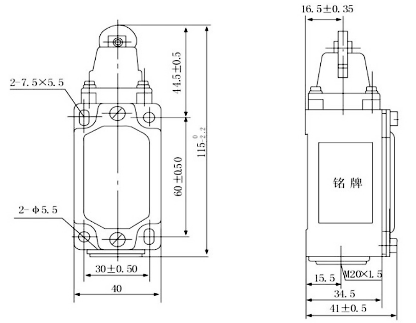
型号:KJT-LXK3-20S/L
-
额定工作电压:380V
-
防护等级:IP52
-
操作频率:20次/分
-
动作行程:1.75~2mm
-
差程:≤1.2mm
-
全行程:≥6mm
技术参数
常规技术参数
| 性能 | |||
| 使用类型 | 额定值 | ||
| AC-15 额定工作电压(Ue) | 380V | 220V | 110V |
| AC-15 额定工作电流(Ie) | 0.8A | 1.6A | 2.5A |
| DC-13 额定工作电压(Ue) | 220V | 110V | |
| DC-13 额定工作电流(Ie) | 0.16A | 0.315A | |
| 额定工作电压(Ue) | 380V | ||
| 约定自由发热电流(Ith) | 10A | ||
| 额定冲击耐受电压(Uimp) | 6000V | ||
| 额定工作制 | 8h | ||
| 防护等级 | IP52 | ||
| 操作频率 | 20次/分 | ||
| 寿命 | 机械50万次 电气20万次 | ||
| 工作特性 | |||
| 型号 | KJT-LXK3-20S/L | ||
| 动作行程 | 1.75~2mm | ||
| 差程 | ≤1.2mm | ||
| 全行程 | ≥6mm | ||
| 动作力 | 1±0.15Kg | ||
| 恢复力 | ≥0.5Kg | ||
| 最大操作力 | <3Kg | ||
| 释放力 | - | ||
