产品特点
-
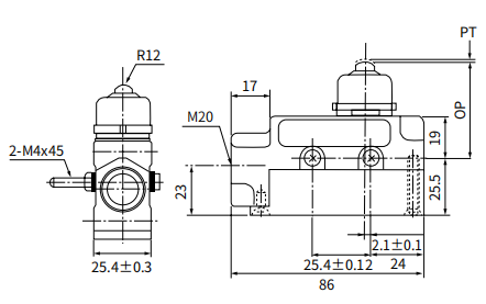
型号:KM-6101
-
防护等级:IP65
-
额定冲击耐受电压:2.5kV
-
额定绝缘电压UI:380V
-
操作力 OF (最大Max.):800g
-
回弹力 RF (最小Min.):240g
技术参数
常规技术参数
| 产品型号 | KM-6101 |
| 操作速度 | 5mm 至 0.5m/s |
| 动作频率 | 电气:20次/分 |
| 接触电阻 | 25mΩ 以下 ( 初期 ) |
| 绝缘电阻 | 100MΩ 以上 ( 在 500VDC 以下 ) |
| 最小使用负载 | DC24V 10mA 以上 |
| 额定绝缘电压 | 380V |
| 额定冲击耐受电压 | 2.5kV |
| 约定自由空气发热电流 | 15A |
| 电介强度 | 非连续端子间1000VAC, 50/60Hz持续1分钟 钟载电流与无载电流零件间1890VAC, 50/60Hz持续1分钟 端子和接地之间1890VAC, 50/60Hz持续1分钟 |
| 振动 | 10至55Hz, 1.5mm双振幅 |
| 迟滞 | 机械耐久 :1,000m/Sec2( 约 100G’S) 误动作耐久 :300m/Sec2( 约 30G’S) |
| 周围温度 | 使用时 :-20~+80℃ ( 没有结冰 ) |
| 湿度 | 95%RH 以下 |
| 电气寿命 | 500,000次以上 |
| 防护等级 | IP65 |
| 头部结构 | 带密封圈平头按钮式头 |
| 动作特性 | |
| 操作力OF(最大Max) | 800g |
| 回弹力RF(最小Min) | 200g |
| 预行程 PT (最大Max.) | 2mm |
| 行程移动分辨率 MD (最大Max.) | 0.1mm |
| 过行程 OT (最小Min.) | 5mm |
| 动作位置 OP(mm.) | 45.8±0.8mm |
