产品特点
-
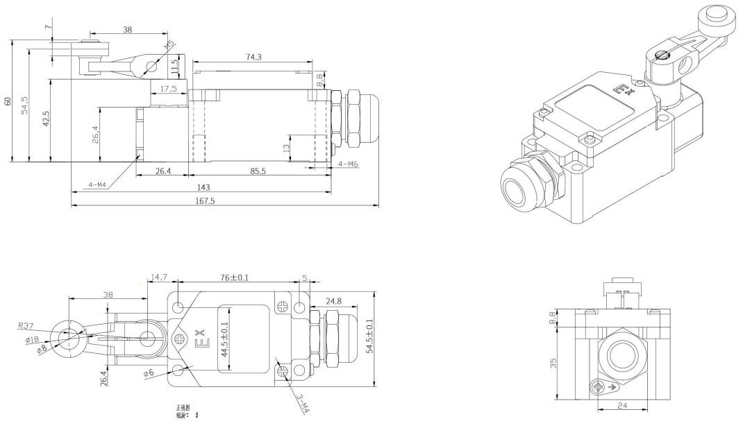
产品型号:EX
-
防护等级:IP66/IP67标准
-
触点数量:1组常开,1组常闭
-
触点容量:5A/220V
-
产品优点:耐高温、耐油、防水和防压
-
应用领域:工业机械、电力、化工、造纸、钢铁等行业
-
使用寿命:机械:15,000,000次以上/电气:500,000次以上
技术参数
常规技术参数
特性 Characteristics | |
操作速度 | 1mm至2m/S(AWLCA2型) , 1mm to 2m/S |
动作频率 | 机械:120次/分 电气:30次/分 , Mechanically:120 times/minute Electically:30 times/Minute |
接点电阻 | 15MΩ以下(初期) Under 15mΩ(initial) |
绝缘电阻 | 100MΩ以上(500VDC) 100mΩ above (at 500VDC) |
耐电压 | 非连续端子间1,000VAC,50/60Hz持续1分钟 |
振动 | 误动作耐久:10至55Hz,1.5mm双振幅 , Action:10 to 55Hz,1.5mm pairs swing |
冲击 | 机械耐久:1,000m/Sec2(约100G,S) |
周围温度 | 使用时:-60 至 +350℃ |
湿度 | 最大95%RH , Max 95% RH |
使用寿命 | 机械:15,000,000次以上(在额定OT值下) 电气:500,000次以上 |
重量 | 约275g(AWLCA2-2) , About 275g |
防护等级 | IEC 规格:IP66/IP67 , IEC specification:IP66/IP67 |
注:
1. 电感性负载之功率因素在 0.4 以上( AC ),时间常数在 7msec 以下( DC )。
2. 灯泡负载之突入电流为稳定状态电流之 10 倍,马达负载之突入电流为稳定电流之 6 倍
