产品特点
-
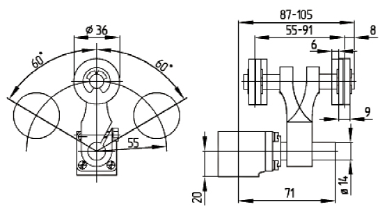
2 电缆进口 M 20 x 1.5
-
操动头每次可按4 x 90°重新定位
-
摇臂位置连续可调360°
-
2 触点
-
摇臂可以调整角度 180°
-
对耐温型产品,滚轮可以安装在轴两个不同位置上
-
防护等级 IP65
技术参数
常规技术参数
| 标准 | EN 60947-5-1 |
符合指令 (Y/N) ![]() | 有 |
| 满足安全功能(是/不) | 无 |
| 符合标准的外壳(是/否) | 无 |
| 原料 | |
| - 外壳的原材料 | 铸铁, 电镀 |
| - 滚轮材质 | 塑料 |
| - 触点材料 | 银 |
| 外壳喷涂 | 涂色 |
| 重量 | 1655 g |
| 推杆形式 | 滑轮 |
| 机械参数 | |
| 电路连接说明 | 螺丝连接 |
| 电缆截面 | |
| - 最小电缆截面 | 1.5 mm² |
| - 最大电缆截面 | 2.5 mm² |
| AWG编号 | 13 |
| 作用原理 | 机械的 |
| 机械寿命 | 5.000.000 操作次数 |
| 操作元件构造 | 滚轮摇臂 |
| 回弹时间 | ≤ 5 ms |
| 切换时间 | ≤ 35 ms |
| 常开触点 | 2 x 2.5 mm |
| 垂直开关轴方向的操作速度 | |
| - 最小操动速度 | 1 mm/min |
| - 最大操动速度 | 3 m/s |
| - 从开关轴左面操作的角度 | 30° |
| - 从开关轴右面操作的角度 | 30° |
| 注意 | 所有的电缆截面表示包括了导线和线耳 |
| 周围条件 | |
| 周围温度 | |
| - 最低环境温度 | −30 °C |
| - 最高环境温度 | +90 °C |
| 防护等级 | IP65 根据IEC/EN 60529 |
| 电气参数 | |
| 转换元件说明 | 常开触点(NO), 打开(NC) |
| - 双断转换触点 | |
| - 电流绝缘的触点桥架 | |
| 转换原理 | 速动开关元件 |
| 关闭者数量 | 1 件 |
| 开启者数量 | 1 件 |
| 额定冲击耐压 Uimp | 4 kV |
| 额定绝缘电压 Ui | 250 V |
| 热测试电流 Ithe | 16 A |
| 应用类别 | AC-15: 250 V / 4 A |
| 最大保险容量 | 16 A D型玻璃保险 |
| 尺寸 | |
| 传感器尺寸 | |
| - 传感器宽度 | 106 mm |
| - 传感器高度 | 192 mm |
| - 传感器长度 | 63 mm |
| 滚轮宽度 | 9 mm |
| 滚轮直径 | 36 mm |

