产品特点
-
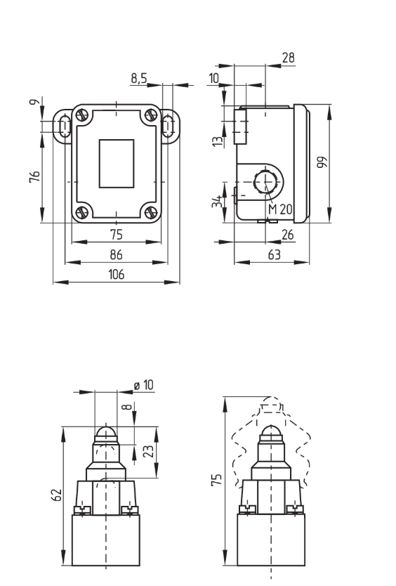
●:2 个电缆入口 M 20 x 1.5
-
●:后行程大
-
●:金属外壳
-
●:带有固定不锈钢球执行器的执行器头
-
●:106 毫米 x 99 毫米 x 63 毫米(基本组件)
-
●:防护等级IP65
技术参数
常规技术参数
| 产品参数 | |
| 型号 | T2S 441-11Y |
| 作用原理 | 机械的 |
| 外壳原材料 | 灰口铸铁,镀锌 |
| 触点材料 | 银 |
| 总重量 | 1,502g |
| 常闭数量(NC) | 1 |
| 常开数量(NO) | 1 |
| B 10D常闭触点 (NC) | 2,000,000 次操作 |
| 执行元件 | 柱塞 |
| 机械寿命 | 10,000,000 次操作 |
| 动作角度 | 20° |
| 接触开路 | 2×6mm |
| 最小驱动速度 | 1mm/分钟 |
| 最大动作速度 | 1m/秒 |
| 注意 | 动作速度:垂直驱动角度切换轴的驱动速度 |
| 电路连接 | 螺丝连接 M20 x 1.5 |
| 最小电缆截面 | 1.5mm² |
| 最大电缆截面 | 2.5mm² |
| 注意 | 电缆部分:包括导体套圈 |
| 线材截面 | 13 AWG |
| 产品尺寸 | |
| 长宽高 | 63mm*106mm*161mm |
| 柱塞直径 | 10mm |
| 应用环境条件 | |
| 防护等级 | IP65 |
| 环境温度 | -30 ... +90°C |
| 额定绝缘电压 | 400 VAC |
| 额定冲击耐受电压 | 6kV |
| 电气数据 | |
| 热测试电流 | 16A |
| 应用类别 | AC-15: 400 V / 4 A |
| 开关元件 | 常开触点、常闭触点 |
| 开关原理 | 动作缓慢 |
| 注意事项 | |
| 应避免从柱塞侧面驱动,因为这会缩短位置开关的机械寿命。 | |
