产品特点
-
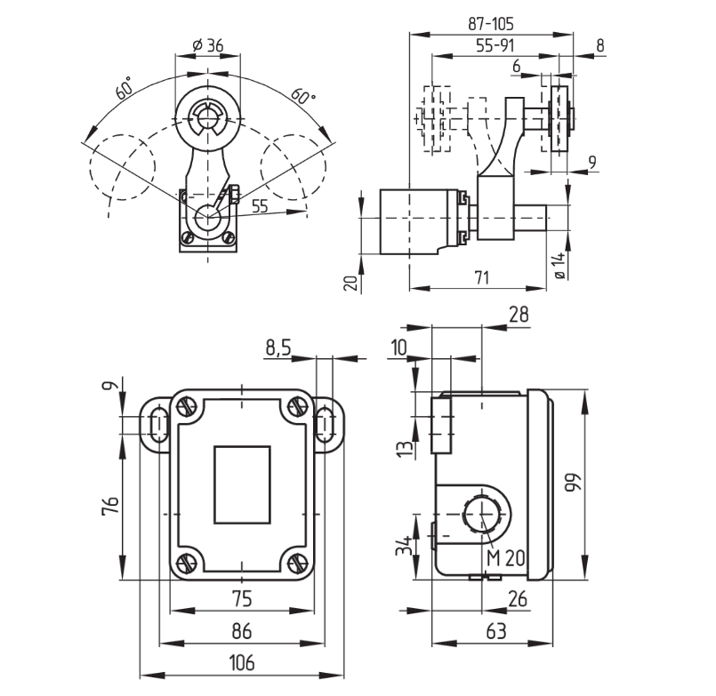
● :执行器头可以 4 x 90° 的步长重新定位
-
● :金属外壳
-
● :控制杆位置 360° 连续调节
-
● :杠杆可旋转 180°
-
● :在耐温版本中,滚轮可以安装在轴上的两个不同位置
-
● :106 毫米 x 99 毫米 x 63 毫米(基本组件)
-
● :防护等级IP65
技术参数
常规技术参数
产品参数 | |
型号 | TL 441-11Y-T-1276-2/ -1801 |
作用原理 | 机械的 |
外壳原材料 | 灰口铸铁,镀锌 |
触点材料 | 镀金银(AgNi 15 + Au 0,3µm) |
总重量 | 1,760g |
常闭数量(NC) | 1 |
常开数量(NO) | 1 |
B 10D常闭触点 (NC) | 2,000,000 次操作 |
执行元件 | 滚轮杠杆 |
滚筒材质 | 黄铜 |
机械寿命 | 10,000,000 次操作 |
动作角度,从开关轴左侧算起 | 30° |
动作角度,从开关轴右侧算起 | 30° |
接触开路 | 2×2.5mm |
最小驱动速度 | 1mm/分钟 |
最大动作速度 | 3m/秒 |
注意 | 动作速度:垂直驱动角度切换轴的驱动速度 |
电路连接 | 螺丝连接 M20 x 1.5 |
最小电缆截面 | 1.5mm² |
最大电缆截面 | 2.5mm² |
注意 | 电缆部分:包括导体套圈 |
线材截面 | 13 AWG |
产品尺寸 | |
长宽高 | 63mm*106mm*192mm |
脚轮宽度 | 9mm |
脚轮直径 | 36mm |
应用环境条件 | |
防护等级 | IP65 |
环境温度 | ’-40 ... +200°C |
额定绝缘电压 | 250 VAC |
额定冲击耐受电压 | 6kV |
电气数据 | |
热测试电流 | 16A |
应用类别 | AC-15: 250 V / 4 A |
开关元件 | 常开触点、常闭触点 |
开关原理 | 动作缓慢 |
最大弹跳持续时间 | 5 ms |
