产品特点
-
防水等级:满足IEC IP67/IP68防护等级的高密封性
-
线缆长度:标准型提供2m的电缆长度
-
接线特点:带柱塞的开关可实现并联安装
-
产品特点:三层密封构造;柱塞部通过丁腈橡胶填料密封和隔膜密封,开关部通过丁腈橡胶帽密封;电缆入口通过包封材料密封
技术参数
常规技术参数
| 额定电压 | 5A 125V,3A 250VAC |
| 操作速度 | 1mm~1m/s |
| 操作频率 | 机械:120 次/分 |
| 电气:30 次/分 | |
| 接点电阻 | 15m Ω以下 |
| 绝缘电阻 | 100Ω以上(在 500VDC以下) |
| 耐电压 | 不连续端子间:1,000VAC,50、60Hz持续一分钟 |
| 端子和接地间:1,500VAC,50、60Hz,持续一分钟 | |
| 端子和无载电流金属之间:1,500VAC,50/60Hz持续一分钟 | |
| 振动 | 动作耐久:10~55Hz,1.5mm 双振幅 |
| 冲击 | 机械耐久:1000m/s2以上 (约30G以上) |
| 误动作耐久:500m/s2 以上(约30G以上) | |
| 使用周温 | -10~+70 ℃ |
| 湿度 | 最大 95%RH |
| 使用寿命 | 机械:1,000万次以上 电气:20万次以上 |
| 防护等级 | IEC:IP67 |
| 重量 | 约360g(电缆线长3m) |
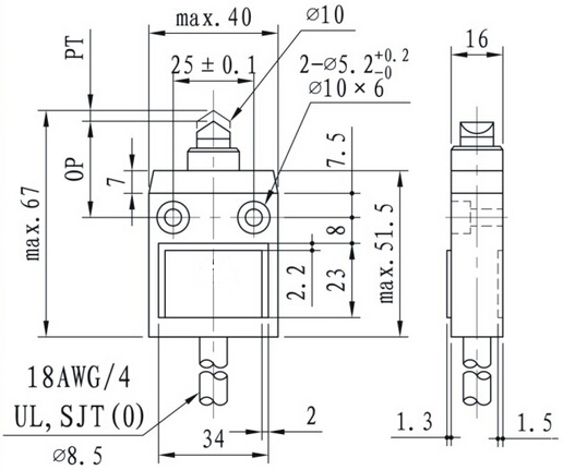
| 型号 | KH-4211 |
| OF最大 | 1200gf(5.69N) |
| RF最小 | 450gf(1.47N) |
| PT最大 | 1.8mm |
| OT最小 | 3mm |
| MD最大 | 0.2mm |
| OP | 28.5 ± 1mm |
