产品特点
-
核心定位与编码能力
-
工业级低功耗与免布线
-
稳定可靠与安全保障
-
实用拓展与运维
技术参数
常规技术参数
型号:KJTCST | 型号:KJTCSLS | 型号:KJTCSPK | |
品名:无线外挂地址码 | 品名:无线拉绳开关 | 品名:无线跑偏开关 | |
协议标准 | 基于LoRa | 私网加密协议 | |
频率范围 | 470~510MHz FHSS/CSMA | 跳频传输/载波监听 | |
最大链路预算 | 射频 | 157dB | |
最大输出功率 | 射频 | 17dBm | |
灵敏度 | 传输速率 | 接收灵敏度(dBm) | |
2400bps | -126dBm | ||
800bps | -130dBm | ||
300bps | -140dBm | ||
组网方式 | 星状、链状、树状 | ||
建议传输距离 | 0-1000m(可视) | ||
管 理 | |||
管理方式 | 支持中/英文管理、支持参数设置本地 | ||
复位 | 硬件 | 支持 | |
软件 | 支持 | ||
功 能 | |||
工作模式 | P2P | 点对点单向模式 | 发射/从站 |
M2P | 多点组网模式 | 发射/从站 | |
通讯配置 | 支持TTL串口 | ||
安 全 性 | |||||||||
硬件 | 射频功率 | 峰值低于0.1W,不干扰他人设备 | |||||||
射频隔离 | 双层滤波电路设计,抗异频段干扰 | ||||||||
软件 | 无线加密 | CRC 校验 | |||||||
协议架构 | 基于TDMA/CSMA/FHSS | ||||||||
接 口 | |||||||||
天线 | 天线增益 | 3-6dBi | 天线角度 | 全向天线 | |||||
接插 | 外挂地址码 | M12*2 | 无线拉绳/跑偏 | M12*1 | |||||
电压及电流 | |||||||||
供电方式 | 锂亚电池 | 3.6VDC(6500mA)电池仓可更换 | |||||||
工作电流 | 满负荷状态<40mA@3.6V | 正常状态<0.1mA@3.6V | 空闲状态<0.05mA@3.6V | ||||||
工作环境及特征 | |||||||||
工作温度 | -30℃~+65℃ | 湿度(非凝结) | ≤95%(非凝结) | ||||||
外壳材质 | 私模铸铝 | 防护等级 | IP66 | ||||||
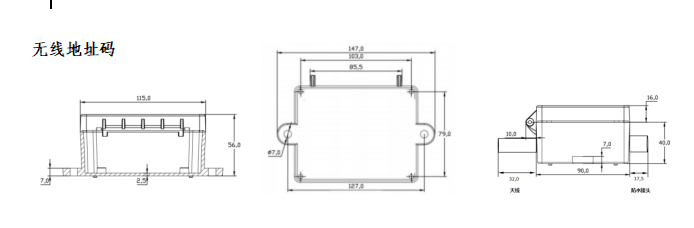
信号输入 | 4路IO无源触点 | 尺寸 | 见图纸 | ||||||
