产品特点
-
产品系列:KJT-PK无线系跑偏开关
-
负载电流:AC380V 5A,DC24V 5A
-
触点方式:常开1.常团1;常开2. 常闭2.(订货时请注明)
-
复位方式:自动
-
电器寿命:>10万次
-
防护等级:IP65/IP67
技术参数
常规技术参数
| 型 号 | KJT-LS47CSZK(无线拉绳) | |
| 协议标准 | LoRa 私网协议 | |
| 频率范围 | 470~510MHz FHSS | |
| 最大链路预算 | 162dB | |
| 最大输出功率 | 20dBm | |
| 极化方式 | 单极化;垂直极化 | |
| 灵敏度 | 传输速率 | 接收灵敏度(dBm) |
| 2400bps | -126dBm | |
| 800bps | -130dBm | |
| 300bps | -140dBm | |
| 建议传输距离 | 20-1000M | |
管 理 | |||
| 管理方式 | 支持中/英文管理、配置免重启; | ||
| 复位 | 硬件 | 支持 | |
| 软件 | 支持 | ||
| 功 能 | |||
| 工作模式 | P2P-S、M2P等 | ||
| 输入配置 | 支持4路IO( 触点) 支持RS485(选配) 支持无线配置参数 | ||
| 显示屏及感应按键 | 显示屏(LED)防水型无 | ||
| 感应按钮(选配)防水型无 | |||
| 显示屏显示 | 电量状态,连接状态,信号强弱,指令状态,设备类型 | ||
| 实时数据状态显示 | 支持各路IO口状态实时显示 | ||
| 安全性 | |||
| 无线加密 | CPC校验 AES128 | ||
| 硬件 | |||
| CPU | 工业级MCU | ||
| 内存 | FLASH | 16MB | |
| SRAM | 32K | ||
| 主频 | 48MHz | ||
| 接 口 | |||
| 接插口 | 接插口数量 | 1 | |
| 接插口属性 | M16不锈钢防水开关 | ||
| 天线 | 天线接口 | SMA | |
| 天线增益 | 3dBi | ||
| 天线角度 | 垂直极化 全向天线 | ||
| 供 电 | |||
| 供电方式 | 锂亚电池 | DC3.6v 6.5Ah | |
| 机械参数 | |||
| 角度 | 动作角度 | 30° | |
| 极限角度 | 60° | ||
| 动作力 | 10kg | ||
| 触点 | 常开数量 | 2路(默认) | |
| 常闭数量 | 2路(选配) | ||
| 复位 | 自动 | 1级报警 | |
| 手动 | 2级报警 | ||
| 微动开关 | 欧姆龙 | ||
| 使用次数 | 10^6 | ||
| 外壳材质 | 铸铝(默认) 不锈钢(选配) | ||
| 重量 | 3kg/3.5kg | ||
| 工作环境及特征 | |||
| 工作温度 | -20~60℃ | ||
| 储存温度 | -20~60℃ | ||
| 湿度(非凝结) | ≤95%(非凝结) | ||
| 信号输入 | 4路IO(触点)RS485 | ||
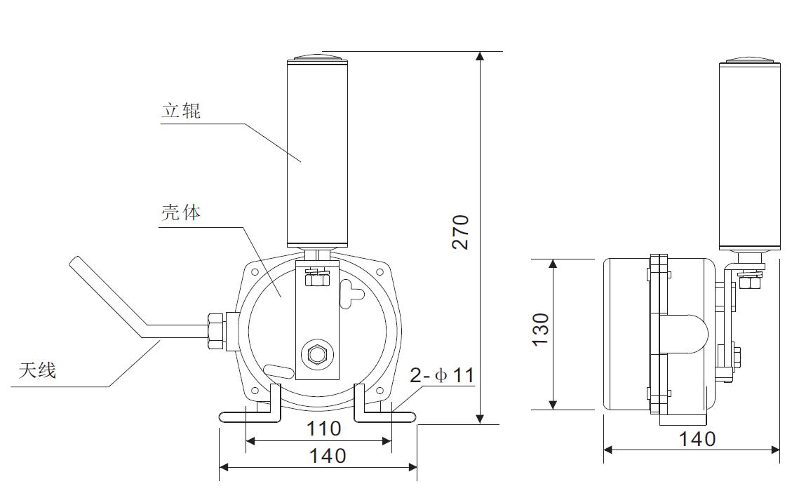
| 尺寸 | L*W*H(mm) | 220*200*130 | |
| 工作电流 | 满负荷工作电流 | < 0.5mA @3.6V | |
| 正常状态工作电流 | < 0.15mA @3.6V | ||
| 空闲状态工作电流 | <0.05mA @3.6V | ||
