产品特点
-
协议标准:LoRa 私网协议
-
频率范围:470~510MHz FHSS
-
最大链路预算:157dB
-
最大输出功率:17dBm
-
极化方式:单极化;垂直极化
-
组网方式:星型
-
建议传输距离:0-500m(可视)
-
管理方式:支持中/英文管理、支持参数设置本地
技术参数
常规技术参数
功 能 | ||||||
工作模式 | P2P、M2P | 多点对1点模式 | 限位从站;网关主站 | |||
IO配置 | 限位1路NO或NC ;网关RJ45网口(MODBUS TCP) | |||||
显示 | 指示灯 | |||||
安 全 性 | ||||||
硬件 | 射频 | 射频功率 | 峰值低于0.1W,不干扰他人设备 | |||
射频 | 射频隔离 | 双层滤波电路设计,抗异频段干扰 | ||||
软件 | 无线加密 | CRC 校验 | ||||
协议架构 | 基于CSMA/FHSS | |||||
硬 件 | ||||||
CPU | 工业MCU | |||||
内存 | FLASH | 限位256K | 网关32MB | |||
SRAM | 限位32K | 网关2MB | ||||
主频 | 限位48MHz | 网关400MHz | ||||
接 口 | ||||||
天线 | 天线接口 | 限位MCX母头 | 接收SMA母头 | |||
天线增益 | 3dBi | |||||
天线角度 | 垂直极化 全向天线 | |||||
接插口 | 接插口数量 | 4 | ||||
接插口属性 | 开关按钮、双色指示灯、RS485口、RJ45网口 | |||||
供 电 | ||||||
供电方式 | 限位 | 电池组 | 内置DC3.6v(1500mA锂亚电池) | |||
待机时间 | 16-28个月 | |||||
网关 | 现场电源 | DC10-36v(推荐DC12v或DC24v电源) | ||||
工作环境及特征 | ||||||
浪涌防护 | 共模 4Kv/差模 2Kv | |||||
工作温度 | -30℃~+65℃ | |||||
储存温度 | -20~+60℃ | |||||
湿度(非凝结) | ≤95%(非凝结) | |||||
防护等级 | 限位 | IP65 | ||||
网关 | IP65 | |||||
材质及特性 | |||
| 限位 | 网关 | |
材质 | 铸铝 | 铝合金 | |
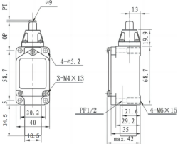
尺寸 | L*W*H(mm) | 130*40*40mm(不含触头高度) | 250*200*75 |
工作电流 | 满负荷工作电流 | <23mA@DC3.6v | <1A@24V |
正常工作电流 | <0.07mA@DC3.6v | <300mA@24V | |
休眠工作电流 | <0.02mA@DC3.6v | <100mA@24V | |
