产品特点

  • 产品系列:KJT-LSB-I型

  • 负载电流:AC380V 5A,DC24V 5A

  • 触点方式:常开1.常闭1;常开2. 常闭2.(订货时请注明)

  • 复位方式:自动

  • 电器寿命:>10万次

  • 防护等级:IP65/IP67

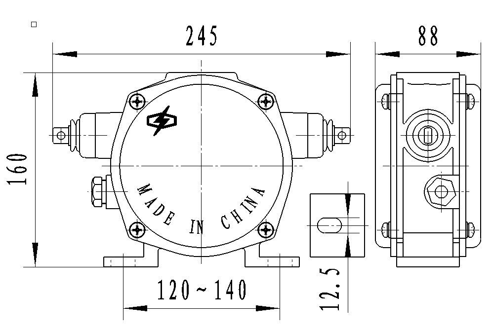
技术参数

环境温度-30℃~+50℃
相对湿度不小于85%
动作角度30°
极限角度60°
动作力70-100N
触点数量1个常开,1个常闭(可根据需要增加2组常开;2组常闭)
触点容量AC380V/5A
复位方式自动
可靠性>10万次
防护等级IP65/IP67
重量2.5Kg

下载专区

Loading...
安装和接线说明 – GFI / GFSI Extreme

德语, 英语, 法语, 意大利语, 葡萄牙语, 俄语

PDF5 MB 28.09.2023

其它感兴趣的产品

RNS-II型无触点双向拉绳开关

Wireless

KJT-LS型地址码拉绳开关

Wireless
标准产品

急停拉绳开关

KJT-LSB-I型双向平衡拉绳开关 联系我们