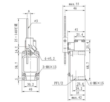
产品特点

  • 结构特点:双回路型限动开关,内藏接点座有双簧片设计,机械寿命长

  • 外壳材料:具坚固之一体铸造铝合金外壳 高机械强度

  • 防护等级:IP66等级防护、具耐油、防水和防压结构

  • 内部结构:内藏接点座有双簧片设计、因装有设定位置指示板,故维护容易开关种类多,方便使用 用途广泛

技术参数


额定电压 15A 250VAC
操作速度 1mm~2m/s
操作频率 机械:120 次/分
 电气:30 次/分
接点电阻 15m Ω以下
绝缘电阻 100Ω以上(在 500VDC以下)
耐电压 不连续端子间:1,000VAC,50、60Hz持续一分钟
 端子和接地间:2,200VAC,50、60Hz,持续一分钟
 端子和无载电流金属之间:2,200VAC,50/60Hz持续一分钟
振动 动作耐久:10~55Hz,1.5mm 双振幅
冲击 机械耐久:1000m/s2以上 (约100G以上)
 误动作耐久:300m/s2 以上(约30G以上)
使用周温 -10~+80 ℃
湿度 最大 95%RH
使用寿命 机械:1,500万次以上   电气:50万次以上
防护等级 IEC:IP66
重量 约258g
型号KB-5101KB-5102
KB-5103
KB-5104KB-5107KB-5108KB-5109KB-5106
KB-5166
KB-5168
KB-5169
KB-5105
OF最大2720g2720g1000g1420g1360g2720g150g1200g
RF最小910g910g227g280g227g910g--
PT最大1.7mm1.7mm20°20°20°1.7mm28mm227g
OT最小6.4mm5.6mm70°70°70°4mm-55°
MD最大1mm1mm10°10°10°1mm-35°
OP34 ± 0.8mm44.8± 0.8mm---44.5 ± 0.8mm-90 ± 10 °

下载专区

Loading...
安装和接线说明 – GFI / GFSI Extreme

德语, 英语, 法语, 意大利语, 葡萄牙语, 俄语

PDF5 MB 28.09.2023

其它感兴趣的产品

KB-5102行程开关

Wireless

KB-5101行程开关

Wireless
标准产品

经济型行程开关

KB-5107行程开关 联系我们