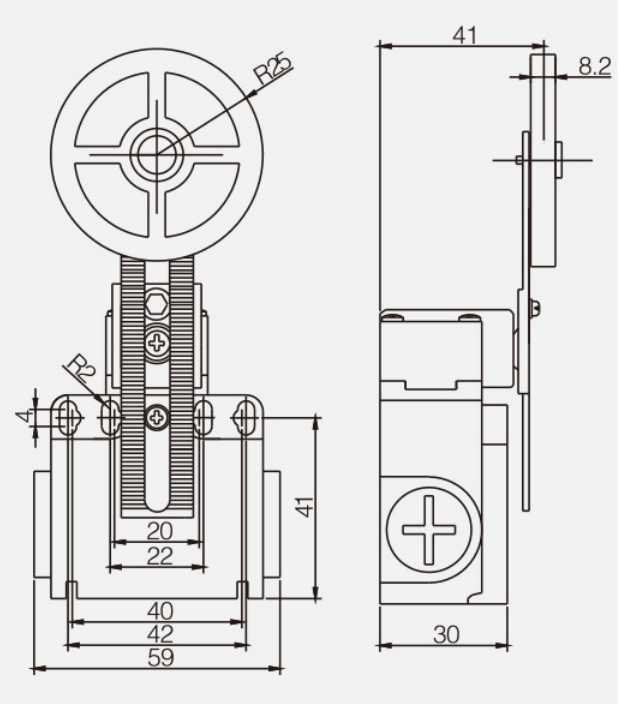
产品特点

  • 外壳材料:采用经济型塑料外壳

  • 防护等级:IP65

  • 工作环境温度:-10~+70℃

  • 产品优点:具有防水、防油、防压等特点

  • 应用领域:各种机械设备、自动化设备、仪器仪表等

技术参数

特性 Characteristics

     额定负荷 Rating load10(4)A/250VAC,6(2)A 380VAC

操作速度
Operation speed

 5mm-0.5m/s

操作频率
Action frequency

机械:120次/分 电气:30次/分 , Mechanically:120 times/minute Electically:30 times/Minute


接点电阻
Contact resistance

25mΩ(初值 initial value)

绝缘电阻
Insulation resistance

100MΩ以上(Above)DC500V

介质耐压
Withstand voltage

非连线Non-connection wire:1000VAC;各端子间 Every terminal:1500VAC

振动
Vibration

误动作Misoperation 10-55Hz 复振幅 Amplitude 1.5mm

冲击
Hitting

耐久:1,000m/s2
误动作耐久:300m/s
2
Durable:1,000m/s
2
Misoperation:300m/s

使用温度
Operating temperature

-10 至 +70℃

使用湿度
Operating humidity

<85%

使用寿命
Serve life

电气:100,000次以上,机械:1.000,000次以上
Electrically:100,000times above

Mechanically:1.000,000times above

防护等级
Protection structure

IP65

下载专区

Loading...
安装和接线说明 – GFI / GFSI Extreme

德语, 英语, 法语, 意大利语, 葡萄牙语, 俄语

PDF5 MB 28.09.2023

其它感兴趣的产品

可调大滚轮摆杆型行程开关KZ-9510

Wireless

可调滚轮摆杆型行程开关KZ-9508

Wireless
标准产品

行程开关 KZ-9系列

可调大滚轮摆杆型行程开关KZ-9210 联系我们