产品特点

  • 使用470-510MHZ 2.4GHZ标准无线电频段进行连接

  • 免许可全局的无线电连接

  • 通信范围可达1000米

  • 具坚固之一体铸造铝合金外壳高机械强度

  • 具耐油、防水和防压结构

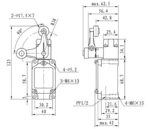
技术参数

额定电压 15A 250VAC
操作速度 1mm~2m/s
操作频率 机械:120 次/分
 电气:30 次/分
接点电阻 15m Ω以下
绝缘电阻 100Ω以上(在 500VDC以下)
耐电压 不连续端子间:1,000VAC,50、60Hz持续一分钟
 端子和接地间:2,200VAC,50、60Hz,持续一分钟
 端子和无载电流金属之间:2,200VAC,50/60Hz持续一分钟
振动 动作耐久:10~55Hz,1.5mm 双振幅
冲击 机械耐久:1000m/s2以上 (约100G以上)
 误动作耐久:300m/s2 以上(约30G以上)
使用周温 -10~+80 ℃
湿度 最大 95%RH
使用寿命 机械:1,500万次以上   电气:50万次以上
防护等级 IEC:IP66
重量 约258g



下载专区

Loading...
安装和接线说明 – GFI / GFSI Extreme

德语, 英语, 法语, 意大利语, 葡萄牙语, 俄语

PDF5 MB 28.09.2023

其它感兴趣的产品

KJT47CSZK-08无线限位开关

Wireless

KJT47CSZK-05无线限位开关

Wireless
标准产品

无线限位开关

KJT47CSZK-05无线限位开关 联系我们