产品特点

  • 引动器种类多,且有动作位置可调整之设计

  • 外壳包覆强化塑胶、防水、防油

  • 型微动开关有更高的机械强度,耐冲击

  • 前移机有多种分类,动作位置可调

  • 外壳覆盖塑料,防水耐油,承受打击

技术参数

额定值

电压额定电压
非电感性负载
非电气携带
电感性负载(A)
电阻性负载
阻力桨
灯泡负载
灯泡携带
电感性负载
电气
携带
马达负载
电机携带
数控数控数控数控
125伏交流
250交流
480伏交流
10
       10
       3
3
       2.5
       1.5
1.5
       1.25
       0.75
10

10 2.5
5

3 1.5
2.5
       1.5
       0.75
8V 直流 14V 直流 30V 直流 125V 直流 250V 直流



10
6
8 0.5

0.25
3
3
3 0.4

0.2
1.5 1.5

1.5 0.4

0.2
6
6
6 0.05

0.03
6
6
5 0.05

0.03
5 5

2.5
0.05
0.03



                  注:

                  1、电感性负载:功率因素=0.4,时间常数=7毫秒。

                  2、灯泡负载之突入电流为稳定状态之10倍。马达负载之突入电流为稳定状态电流之6倍。

                  备注:

                  1.电气承载:功率因数=0.4.时间常数= 7毫秒.

                  2.灯泡承载电流是稳定状态下的10倍。电机承载电流是稳定状态下的6倍。


  特性 特点

操作速度运行速度
0.01毫米至50厘米/秒(锁住塞型) , 0.01毫米至50厘米/秒
动作频率动作频率
120次/分 , 120次/分钟
接点电阻接触电阻
15MΩ以下(初期) , 低于15mΩ(初始)
绝缘电阻绝缘电阻
100MΩ以上(在500VDC以下) , 100mΩ 以上 (500VDC 以下)
耐电压轴承电压
非连续端子间1,000VAC,50/60Hz持续1分钟载电流与无载电流零件间与端子和接地之间1,500VAC,50/60Hz持续1分钟非接触端:1,000VAC,50/60Hz持续一分钟 当前零件和非当前零件以及末端和连接位置:1,500VAC,50/60Hz持续一分钟


振动
振动
误动作耐久:10至55Hz,1.5mm双振幅
动作:10至55Hz,1.5mm对摆动
冲击
击打
机械耐久:1,000m/sec2(约100G,S)
误动作耐久:300m/Sec2(约30G,S)机器:1,000m/Sec2(约100G 动作:300m/sec2(约30G
,S)
周围温度
环境温度
使用时:-10 至 +80°C
湿度湿度
95%相对湿度以上 , 95%相对湿度以上
使用寿命使用寿命
机械:10,000,000次以上(在额定OT值下) 电气:500,000次以上机械:10,000,000次以上(额定OT)
电气:500,000次以上
重量重量
约60g , 约60g
防护等级
保护结构
IEC 规格:IP65 ,IEC 规范:IP65

 

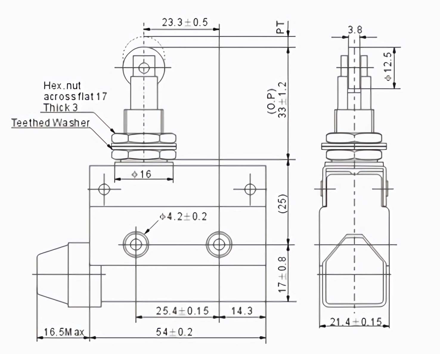
动作特性

型号型号AZX7100LAZX7110LAZX7310LAZX7311LAZX7312LAZX7120LAZX7140LAZX7121LAZX7141LAZX7124LAZX7144LAZX7166L
最大(最大)600克600克600克600克600克150克220克180克240克200克280克120克
射频最小(最小)100克100克100克100克100克40克60克50克80克60克100克
PT 最大(最大)2.0毫米2.0毫米2.0毫米2.0毫米2.0毫米13.5毫米8.5毫米11毫米6.5毫米11毫米6.5毫米250毫米
OT 最小(最小)0.8毫米5.0毫米6.0毫米6.0毫米6.0毫米4.0毫米2.5毫米3.0毫米2.0毫米3.0毫米2.0毫米11毫米
MD 最大(最大)0.8毫米0.8毫米0.8毫米0.8毫米0.8毫米3.2毫米2.0毫米2.4毫米1.5毫米2.4毫米1.5毫米
OP30.5±0.8毫米44±1.2毫米21.8±1.2毫米33.3±1.2毫米33.3±1.2毫米25±1毫米25±1毫米40±1毫米40±1毫米50±1.2毫米50±1.2毫米
FP




35毫米32毫米
46毫米
56毫米

下载专区

Loading...
安装和接线说明 – GFI / GFSI Extreme

德语, 英语, 法语, 意大利语, 葡萄牙语, 俄语

PDF5 MB 28.09.2023

其它感兴趣的产品

电磁式复位行程开关KES-5D1

Wireless

短推压塞柱型AZ7312L

Wireless
标准产品

微动开关

短推压塞柱型AZ7311L 联系我们