产品特点
-
安装环境:铝合金机壳、防锈处理、烘漆涂装。密封材料采用具有超强耐候性的硅橡胶,外部螺丝均为不锈钢材质
-
耐腐蚀:机壳采用具有耐腐蚀性能的铝合金材质,经过防锈处理和塑胶烘漆涂装,可有效防止腐蚀生锈,避免在点检维修时造成作业性劣化
-
可应用于微小负荷:为了防止接点在大气环境下发生腐蚀,可选择带镀金接点的机型
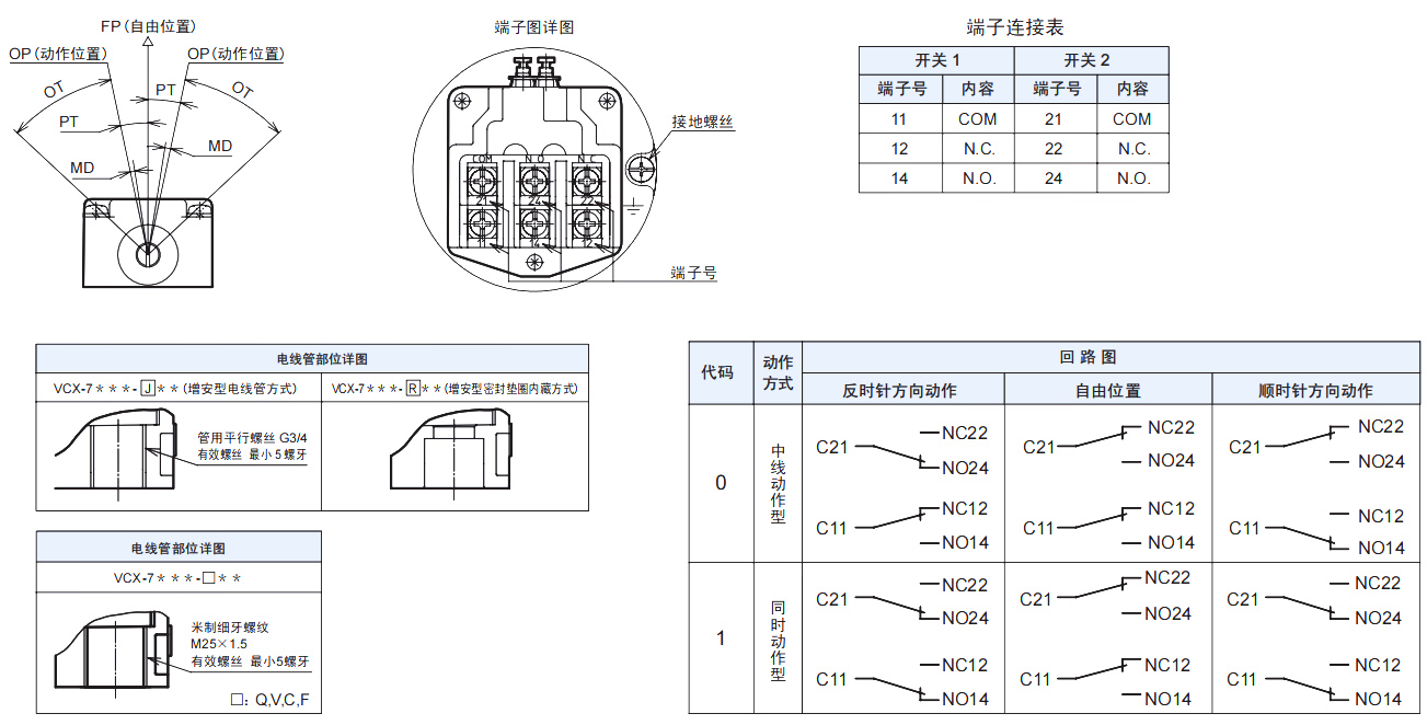
技术参数
常规技术参数
| 项目 | 详细内容 | |
| 结构 | 接触形式 | 单刀双掷(SPDT)x2 |
| 端子形状 | M3.5 带方形垫圈的平头小螺丝 | |
| 接点材料 | 银:铆钉:金合金:交叉点 | |
| 防爆结构 | 内部开关:d(耐压防爆)、机壳:e(增安型防爆) | |
| 保护结构 | IP67(IEC60529、JIS C 0920) | |
| 电气性能 | 电气额定值 | 银:5A-250VAC、0.4A-125VDC、0.2A-250VDC 金合金:0.1A-125VAC、0.1A-30VDC |
| 耐电压 | 同极端子间:600VAC 50/60Hz1分 钟异极端子间:2000VAC 50/60Hz1分钟 各端子与非导电金属部间:2000VAC 50/60Hz1分钟 各端子与接地间:2000VAC 50/60Hz1分钟 | |
| 绝缘电阻 | 100MΩ以上(500VDC绝缘电阻计) | |
| 初始接触电阻 | 银:50MΩ以下(6~8VDC通电电流1A用电压降法测量) 金合金:100mΩ以下(6~8VDC 通电电流0.1A用电压降法测量) | |
| 推荐接点最小使用电压、电流 | 银:10mA-24V、20mA-12V 金合金:10mA-5V | |
| 机械性能 | 执行强度 | 0.F. 的5倍(动作方向 1分钟) |
| 端子强度 | 承受0,6N·m的紧固扭矩1分钟 | |
| 抗冲击 | 200m/s2 在自由位置和动作限度位置,接点开离1ms以下 | |
| 抗振动 | 双振幅1.5mm 频率10-55Hz 连续2小时在自由位置和动作限度位置,接点开离1ms以下 | |
| 容许动作速度 | 0.3mm/s-0.5m/s最低速度:接点不稳定状况在0.1s以下、最高速度:执行机构不破损 | |
| 机械动作频率 | 120次/分以下 | |
| 寿命 | 机械寿命 | 120次/分以下 |
| 电气寿命 | 银:3万次以上 金合金:200万次以上 | |
| 环境特性 | 基准使用温度范围 | -10~+100°C |
| 使用湿度范围 | 45~85%RH | |
| 保存温度范围 | -20~+110°C | |
| 保存湿度范围 | 98%RH以下(在电线管部分的插头一直插着的状态下) | |
| 分类及温度等级 | IIC T6 | |
| 危险区域分类 | 第一类危险场所(区域1)、第二类危险场所(区域2) | |
| 适用电线直径 | 端子 多股绞合线 | 标称截面积0.5mm2~1.5mm2(AWG20~AWG16) |
| 端子 单线 | 标称截面积0.5mm2~1.5mm2(AWG20~AWG16) | |
| 内部接地 | 使用M3 用绝缘涂层压接端子 | |
| 外部接地 | 使用M4用压接端子可连接标称截面积小于4mm2的电线 | |
