产品特点
-
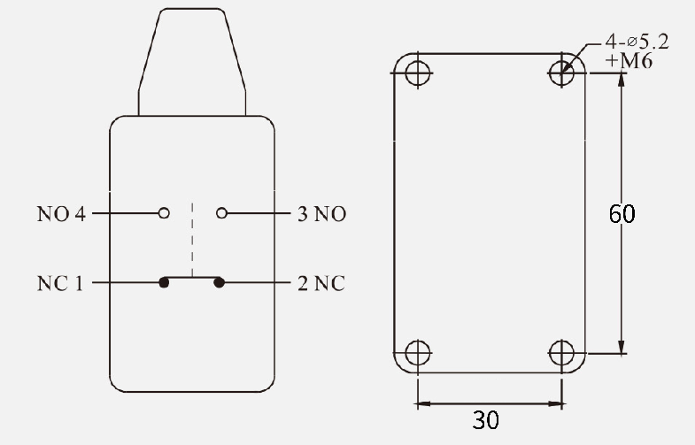
型号:KJT-KX-5107
-
额定负荷:10A/250VAC
-
操作速度:1mm-1m/s
-
绝缘电阻:100mΩ以上
-
接触电阻:25mΩ初值
-
防护等级:IP66
技术参数
常规技术参数
| 项目 | 参数值 Data | |
| 额定负荷 | 10A/250VAC | |
| 操作速度 | 1mm-1m/s | |
| 操作频率 | 机械 | 120次/分120times/min |
| 电气 | 30次/分 30times/min | |
| 绝缘电阻 | 100mΩ以上(Above)DC500V | |
| 接触电阻 | 25mΩ初值 initial value) | |
| 介质耐压 | 非连线 | 1000VAC |
| 各端子间 | 1500VAC | |
| 振动 | 误动作 | 10-55Hz 复振幅 Amplitude 1.5mm |
| 冲 击 | 耐久 | 1000m/s² |
| 误动作 | 300m/s² | |
| 寿 命 | 电气 | 100,000次以上 above |
| 机械 | 1,000,000次以上 above | |
| 防护等级 | IP66 | |
| 使用温度 | -40°C-80°C | |
动作特性:
| 型号 Models | KJT-KX-5101 | KJT-KX-5102 | KJT-KX-5104 | KJT-KX-5105 | KJT-KX-5106 | KJT-KX-5107 | KJT-KX-5108 |
| 动作力 OF max | 2750g(26.95N) | 2750g(26.95N) | 1400g(13.72N) | 1200g(11.76N) | 150g(1.47N) | 1400g(13.72N) | 1400g(13.72N) |
| 回复力 RF min. | 900g(8.82N) | 900g(8.82N) | 220g(2.13N) | -- | -- | 220g(2.13N) | 220g(2.13N) |
| 预行程 PT maX | 1.7mm | 2mm | 45° | 45° | 22mm | 30° | 30° |
| 超行程 OT min | 4mm | 5mm | 10° | 10° | -- | 25° | 25° |
| 差行程 MD max. | 1.2mm | 1.5mm | 20° | 12° | -- | 20° | 20° |
| 动作位置 OP | 34±0.8mm | 44±0.8mm | -- | -- | -- | -- | -- |
| 总行程 TT | -- | -- | 55° | 55° | -- | 55° | 55° |
