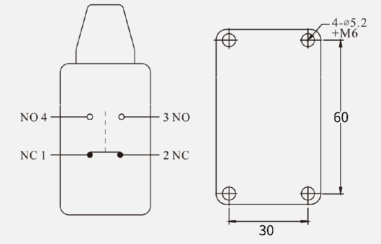
产品特点

  • 型号:KJT-KX-5108

  • 额定负荷:10A/250VAC

  • 操作速度:1mm-1m/s

  • 绝缘电阻:100mΩ以上

  • 接触电阻:25mΩ初值

  • 防护等级:IP66

技术参数

  •     项目    参数值 Data
        额定负荷    10A/250VAC
        操作速度    1mm-1m/s
        操作频率    机械    120次/分120times/min
        电气    30次/分 30times/min
        绝缘电阻    100mΩ以上(Above)DC500V
        接触电阻    25mΩ初值 initial value)
        介质耐压    非连线    1000VAC
        各端子间    1500VAC
        振动    误动作    10-55Hz 复振幅 Amplitude 1.5mm
        冲 击    耐久    1000m/s²
        误动作    300m/s²
        寿 命    电气    100,000次以上 above
        机械    1,000,000次以上 above
        防护等级    IP66
        使用温度    -40°C-80°C

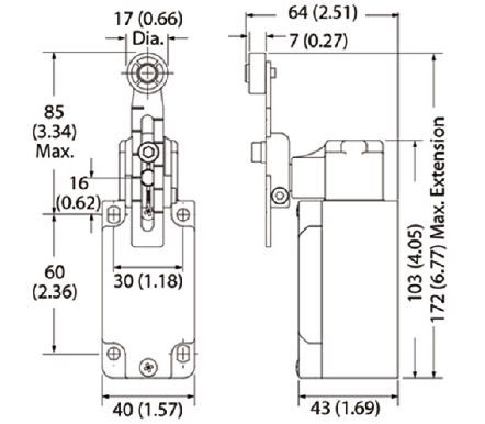
    动作特性:

    型号  ModelsKJT-KX-5101KJT-KX-5102KJT-KX-5104KJT-KX-5105KJT-KX-5106KJT-KX-5107KJT-KX-5108
    动作力 OF max2750g(26.95N)2750g(26.95N)1400g(13.72N)1200g(11.76N)150g(1.47N)1400g(13.72N)1400g(13.72N)
    回复力 RF min.900g(8.82N)900g(8.82N)220g(2.13N)----220g(2.13N)220g(2.13N)
    预行程 PT maX1.7mm2mm45°45°22mm30°30°
    超行程 OT min4mm5mm10°10°--25°25°
    差行程 MD max.1.2mm1.5mm20°12°--20°20°
    动作位置 OP34±0.8mm44±0.8mm----------
    总行程 TT----55°55°--55°55°

下载专区

Loading...
安装和接线说明 – GFI / GFSI Extreme

德语, 英语, 法语, 意大利语, 葡萄牙语, 俄语

PDF5 MB 28.09.2023

其它感兴趣的产品

KJT-KX-5108 船用行程开关

Wireless

KJT-KX-5107 船用行程开关

Wireless
标准产品

船用行程开关

KJT-KX-5108 船用行程开关 联系我们